 |
|
Page 1 of 1
|
[ 26 posts ] |
|
Renovera gammal VOX AC-30
| Author |
Message |
|
tligen
Joined: 10 Feb 2004, 19:59 Posts: 1894 Location: Förort med Swish
|
 Renovera gammal VOX AC-30
Jag har en kompis som har en VOX AC30 som jag kan ta över men vet inte riktigt vad jag vill ge. Det är ett klart renoveringsobjekt, inget snack om saken, den är långt borta och jag har inte sett den mer än på bild. Det är en 64-65 enl s-nummer och olika delar på stärkarn Vet inte skicket nu på transformatorerna, troligtvis OK Klädsel lite nött men verkar rätt OK Fronttyg saknas helt 2 handtag finns som är fel typ Original fotomkopplare finns Galler och hörn verkar original och OK 1 ratt saknas Det är ingen topboost, utan en B-bass, basmodel, dvs värden på en handfull kondingar som har annat värde jämfört med N-normal, och T-treble-modellerna Originalhögtalare finns ej utan det sitter Philipselement enl i tråden: viewtopic.php?f=24&t=118437&hilit=h%C3%B6gtalareJag vill gärna ha den och göra i ordning den, kanske bygga in topboost när jag fått ordning på allt. Och sen är frågan vad man ska ha för högtalare, det blir dyrt med blåa... Rätt mycket jobb och det kostar en hel del, helt klart. Jag kan förmodligen få den hitkörd senare under hösten. Men vad fan ska jag ge för den? idé
_________________ tligen
|
| 25 Sep 2018, 23:35 |
|
 |
|
VacuumVoodoo
Joined: 27 Dec 2007, 23:30 Posts: 2735 Location: Göteborg, Majorna/Linné
|
 Re: Renovera gammal VOX AC-30
Kolla på nätet vad originaltrafos från en sådan AC30 senast betalades. Det motsvarar på ett ungefär värdet på ett renoveringsobjekt. Eventuellt lägger du till lite för kabinettet och chassit så din kompis inte skall känna sig skinad. Säljer du den sedan i renoverat skick så kan du dela vinsten med kompisen. Eller inte, du avgör hur snäll du vill vara. Att mötas på halva vägen är alltid en dålig deal. Bra deal är när båda parter är nöjda med utfallet.
_________________Alex Tubewonder, Louder&More, Zagray! - Made in Västra Götaland - så de' så! http://www.anacon-tech.comhttp://www.youtube.com/vacuumvoodooZagray! - test & review
|
| 26 Sep 2018, 15:13 |
|
 |
|
Ballz
Joined: 28 Dec 2007, 10:24 Posts: 1478
|
 Re: Renovera gammal VOX AC-30
Well, vad du ska ge? Först några kommentarer: Philipstrattarna är ljudmässigt helt oanvändbara i en AC30. Om dom är hela kan du kanske få ett par hundra / stycket för dom, jag tror inte efterfrågan på Spotnicks-ljud är så stor these days  . Budgetera alltså för nya anpassade högtalare. Transformatorerna måste vara hela och av märket Woden, med andra trafos rasar värdet dramatiskt. Den må låta rätt med utbytestrafos, men...värdet rasar ändå. Det bästa är om du kan få höra att den lever. Den kan få låta skit o spraka, men leva. Inget liv? Pruta. Det KAN vara trasiga trafos. Du måste budgetera med att byta varenda elektrolyt och varenda signalkonding i det där härket. Dessutom bör du kalkylera med tiden det tar att löda loss o kolla upp varenda motstånd, speciellt anodmotstånden och skärmgallermotstånden (ofta intermittenta fel och svårt driftade i värdena). Nya slutrör (finns speciella EL84 som tål att gå jävligt hett!) är troligen ett måste. Det här kommer du inte runt, det måste göras. Tyget går att hitta i sjysst repro, inte alltför dyrt. Handtag, guldpiping till fronten o annat krimskrams går att hitta, bäst i USA (North coast music, hette dom så?). LH-musik hade tyg o piping förr, om jag minns rätt. Att bygga om den till TopBoost kräver att du har TB-tillsatsen som monteras bakpå och där du tar hål i bakplattan för kontrollen av den. Det finns inte plats inne i stärken för ett extra rör. Skippa den idén. Du sabbar whatever värde du har kvar i den med den ombyggnaden, och tillsatsen är dyr. Sen till den bistra verkligheten: En AC30B i fungerande, servat originalskick med blå eller grå trattar är värd nånstans kring 13-18 papp. Andra får gärna komma med synpunkter på det. Do the math. Jag hade inte gett mer än...3-4 papp - om den lever. Edit: Bas-varianten är i mina öron den version som låter allra bäst. Jag har moddat tillbaks ett antal till B-specar på folks begäran. Bygg inte om den.
|
| 26 Sep 2018, 16:08 |
|
 |
|
tligen
Joined: 10 Feb 2004, 19:59 Posts: 1894 Location: Förort med Swish
|
 Re: Renovera gammal VOX AC-30
Tack VacuumVoodoo & Ballz! Bara några små kommentarer: Jag vill inte köpa den för att sälja den och tjäna pengar, kan ju ev bli att jag säljer så senare eftersom jag har gott om stärkare... Tror att säljaren inte vill ha nåt överpris för han verkar vilja bli av med den, jag är "gammal" men han är äldre. Dessutom är han skyldig mej för ett par gitarrfixningar. "Edit: Bas-varianten är i mina öron den version som låter allra bäst. Jag har moddat tillbaks ett antal till B-specar på folks begäran. Bygg inte om den." Ok, det ska beaktas! När det gäller topbost är det nog inte så knepigt, det går ju att göra en L-plåt med lite hål i, har sett att det finns färdiga kit för typ 300:- om man är lat. Moddar nog inget först utan se till att få den i gott skick först. Egentligen är den stora frågan, högtalarnaMånga säger ju Blue och de förknippas ju så mycket med just AC30 anser många. Själv har jag ingen åsikt då jag inte spelat mycket alls på AC30, jag har reparerat ett par stycken men det är rätt länge sen och testade jag nån typ 1975 eller så... Vad tycker ni om högtalarval?Jag vill att det ska låta typ AC30 det är det jag är nyfiken på eftersom jag redan har Mesa/Boogie, Fender, Marshall, Vox AC50 mm Har replokal + hus så jag behöver inte störa 
_________________ tligen
|
| 26 Sep 2018, 19:02 |
|
 |
|
Ballz
Joined: 28 Dec 2007, 10:24 Posts: 1478
|
 Re: Renovera gammal VOX AC-30
|
| 26 Sep 2018, 20:14 |
|
 |
|
Ballz
Joined: 28 Dec 2007, 10:24 Posts: 1478
|
 Re: Renovera gammal VOX AC-30
"När det gäller topbost är det nog inte så knepigt, det går ju att göra en L-plåt med lite hål i, har sett att det finns färdiga kit för typ 300:- om man är lat."
True. Det är simpelt nog, men....du fördärvar både chassit (extra hål) och bakplattan (som måste kläs om i rätt tolex/vinyl om du inte lyfter den gamla tolexen och fuskar i hörnorna). Evt originalvärde går åt pipan. Sen ska det ju helst vara original-likt. Ett kit för 300...tillåt mej tvivla på hur äkta det ser ut.
Nåja. To each one his own. Köp den billigt och lycka till!
Just ja...i slutstegsdelen bör du ersätta alla kablar från slutrören till utgångstrafon. Dom är sköra p g a värmen, och isoleringen har som regel spruckit p g a värmen. Stor risk för överslag mot chassit.
|
| 26 Sep 2018, 20:46 |
|
 |
|
rag
Joined: 27 Dec 2007, 15:48 Posts: 2399 Location:
|
 Re: Renovera gammal VOX AC-30
Gällande trafos på Vox Har haft en hel del Vox Ac30 60-tal JMI och aldrig märkt att jag fått ge mer eller fått mindre för Vox med annat än Woden. Har haft Albion, Woden, Haddon och till och med några med Parmeko De låter olik men inte bättre änd varandra och enligt mig så är högtalarna viktigast när det gäller Vox ljudet. Helst skall det nog vara gamla alnico blue eller silver. Nya faller lite i ljudbilden Men om transformatorer är nyare då e det helt klart värre. Så om bara det sitter några av ovanstående tillverkade så tror jag du kommer bli nöjd bara du får tag på ett par gamla högtalare.... 
_________________ Sooner or later time is ending.........
|
| 26 Sep 2018, 20:57 |
|
 |
|
Ballz
Joined: 28 Dec 2007, 10:24 Posts: 1478
|
 Re: Renovera gammal VOX AC-30
Japp, håller nog med ang transformatorerna. Missade ett par märken i hastigheten, men jag tror nog att Woden var det som gällde under dom aktuella åren som denna stärk är från.
|
| 26 Sep 2018, 21:24 |
|
 |
|
rag
Joined: 27 Dec 2007, 15:48 Posts: 2399 Location:
|
 Re: Renovera gammal VOX AC-30
Ballz wrote: Japp, håller nog med ang transformatorerna. Missade ett par märken i hastigheten, men jag tror nog att Woden var det som gällde under dom aktuella åren som denna stärk är från. Helt klart var det nog första valet back in the days(sedan är ju det the U2 edge sound)och parmeko den som kom sist En rolig grej med detta är att på en tonefest i Belgien för säkert 15-20 år sedan så var det en tävling med alla de sortens stärk , vintage tweeds, Marshalls(BB och heads) nyare boutique och gamla Vox Och den som vann var en parmeko och jag kan bara instämma att dessa låter riktigt bra, som en blandning av boutique, Vox och fender tight.... Hade förresten en JMI 15 som skulle vara klon på en 1962 ac15 och det lät bra med Fane blue men när jag satte in ett gammalt alnico sel som var från 1962 så blev det faktiskt rätt men bäst lät det faktiskt med ett C90 som gav ett mer sjungande karaktär och lite större men det e ju mer smak som sagt
_________________ Sooner or later time is ending.........
|
| 26 Sep 2018, 21:56 |
|
 |
|
Amp Healer
Joined: 28 Dec 2007, 20:55 Posts: 4881 Location: Mönsterås
|
 Re: Renovera gammal VOX AC-30
Ballz wrote: "När det gäller topbost är det nog inte så knepigt, det går ju att göra en L-plåt med lite hål i, har sett att det finns färdiga kit för typ 300:- om man är lat."
True. Det är simpelt nog, men....du fördärvar både chassit (extra hål) och bakplattan (som måste kläs om i rätt tolex/vinyl om du inte lyfter den gamla tolexen och fuskar i hörnorna). Evt originalvärde går åt pipan. Sen ska det ju helst vara original-likt. Ett kit för 300...tillåt mej tvivla på hur äkta det ser ut.
Nåja. To each one his own. Köp den billigt och lycka till!
Just ja...i slutstegsdelen bör du ersätta alla kablar från slutrören till utgångstrafon. Dom är sköra p g a värmen, och isoleringen har som regel spruckit p g a värmen. Stor risk för överslag mot chassit. Fet 1 Nja, det finns redan hål i bakplattan (gjorde allafall på min 63:a) och man behöver inte göra någon åverkan på chassit, man bara löder in TB på rätt ställe. Fet 2, Instämmer men även alla lödingar runt slutrören tar stryk av värmen , varit med om att bara peta på sladdar runt slutrören så lossnar dom .
_________________ Hälsningar Owe Johnson
|
| 26 Sep 2018, 22:55 |
|
 |
|
tligen
Joined: 10 Feb 2004, 19:59 Posts: 1894 Location: Förort med Swish
|
 Re: Renovera gammal VOX AC-30
Tack för alla svar, men fortsätt gärna och ös på om ni kommer på nåt kul..
Som sagt jag hoppas att få hit den först typ i mitten av november eller så. Jag oroar ju mej inte för det elektriska, det är ju lixom mitt yrke och jag har nog mycket av delarna redan.
Det är det där med själva myten om AC30 och dom Blåa högtalarna där jag inte har nån riktig åsikt för att jag inte har nån erfarenhet av dom.
Jag bryr mej oftast inte så mycket om myter just för att det är myter men i det här fallet så pekar kompassen tydligare åt ett visst håll...oxå ett dyrt håll eller åt ett svårt och dyrt håll om man ska hitta gamla.
Men det kan ju inte bara sitta Blå eller Silver eller Guld Celestion i alla AC30:or
Sen e ju Vox lite speciella att jobba med eftersom saker sitter på olika sidor i chassiet, gamla Fender e ju lixom lättare. Men jag har ju en AC50 oxå så jag vet vad det handlar om men det är en annan story, en lång story som kanske kommer en annan gång...
_________________ tligen
|
| 28 Sep 2018, 22:07 |
|
 |
|
rag
Joined: 27 Dec 2007, 15:48 Posts: 2399 Location:
|
 Re: Renovera gammal VOX AC-30
Tyvärr är der till och med så att det är bara blå och silver(exakt samma högtalare med olika färger) från 60-talet och helst med skruvad magnet så att den är från ”rätt period” som får fram ”det där ljudet”.....men det betyder inte att det inte kan låta bra med annat eller till och med bättre utifrån ljudideal.....
_________________ Sooner or later time is ending.........
|
| 28 Sep 2018, 22:55 |
|
 |
|
tligen
Joined: 10 Feb 2004, 19:59 Posts: 1894 Location: Förort med Swish
|
 Re: Renovera gammal VOX AC-30
Sådär ja...det tog ju lite tid innan jag fick hit den En kabel till en kondig hade lossnat. Efter att ha juckat med alla rör i socklarna, bytt några EL84:or, vridit på potarna, mätt upp lite lytar och motstånd mm och långsamt, långsamt smygit upp spänningen och mätt på olika punkter att det verkar stämma ungefär i alla fall. Tjohoo, 1kHz och 8ohm och hängt på ”skåpet”, verkar lira! Liten sliten, och saknar fronttyg, handtag, fötter mm GZ34 är borta och nån har lött fast kilseldioder istället Ut-trafon är Woden och nät är Parmeko Högtalarna är som nämts tidigate Philips Det var kul att den verkar funka i alla fall! Vi har inte bestämt vad den kostar ännu, och nu ska jag sova och ska kolla mer i morrn...och plugga in gura och högtalare...innan vi går vidare    
_________________ tligen
|
| 13 Aug 2019, 02:20 |
|
 |
|
eLGe
Joined: 12 Nov 2009, 20:02 Posts: 50 Location:
|
 Re: Renovera gammal VOX AC-30
Om du ska sälja Philips elementen är jag intresserad 
|
| 13 Aug 2019, 15:14 |
|
 |
|
tligen
Joined: 10 Feb 2004, 19:59 Posts: 1894 Location: Förort med Swish
|
 Re: Renovera gammal VOX AC-30
eLGe wrote: Om du ska sälja Philips elementen är jag intresserad  Om man googlar på 2422 258 51004 så verkar det vara: Philips AD1255/M7 Dom ska nog säljas framöver till förmån för nåt lämpligare i en AC30 Jag har inte köpt förstärkaren än utan bara kollat vad som finns och vad som funkar osv I dag lirade jag på den och högtalarna verkar hela och fina! Dom Finns i Täby norr om Stockholm Om det är intressant så är du först i kön...
_________________ tligen
|
| 13 Aug 2019, 18:45 |
|
 |
|
lampuradio
Joined: 21 Jul 2015, 12:14 Posts: 1387 Location: Vallentuna
|
 Re: Renovera gammal VOX AC-30
Nu ska jag säga direkt att jag inte kan den här maskinen, men i tråden antyds det att slutrören får slita lite. Om man har bytt ett likriktarrör mot kisel, utan att komplettera med seriemotstånd, så blir det ännu värre. Ett förslag, som jag själv skulle genomfört "bara för att", är att ta bort kislet och återgå till likriktarrör. Det bör ge ett litet men dock andrum vad gäller drivspänningarna.
|
| 13 Aug 2019, 22:41 |
|
 |
|
tligen
Joined: 10 Feb 2004, 19:59 Posts: 1894 Location: Förort med Swish
|
 Re: Renovera gammal VOX AC-30
lampuradio wrote: Nu ska jag säga direkt att jag inte kan den här maskinen, men i tråden antyds det att slutrören får slita lite. Om man har bytt ett likriktarrör mot kisel, utan att komplettera med seriemotstånd, så blir det ännu värre. Ett förslag, som jag själv skulle genomfört "bara för att", är att ta bort kislet och återgå till likriktarrör. Det bör ge ett litet men dock andrum vad gäller drivspänningarna. Jag har idag redan rivit bort det och satt dit ett GZ34, no problem. Det är nog inga problem med spänningarna åt det hållet. Den är kopplad i 245V läget redan, nästa läge är 225V Vid 230V in: Så i 245V läget får jag typ lite lägre än spec då, glöden 4,8V (5) 6V (6,3) HT blir 314V (330) Blir lite lågt men gissar att det är bättre så än att koppla för 225V Ska prova vad det blir i praktiken i 225V läge oxå men just nu ligger jag lågt... Får iallfall ut 29W, när det börjar klippa (och utan att ha bytt lytar etc)
_________________ tligen
|
| 13 Aug 2019, 23:20 |
|
 |
|
tligen
Joined: 10 Feb 2004, 19:59 Posts: 1894 Location: Förort med Swish
|
 Re: Renovera gammal VOX AC-30
Ojoj vad tiden går... 6 år och det har inte hänt mycket med denna, eller...? Jag kom över en lätt beggad Celestion Blue (lite byteshandel, nöjd) Jag köpte en till från England, innan Brexit!! Köpt handtag, fötter, tyg mm Kom överens om det ekonomiska med ägaren av stärkaren (mycket nöjd) Köpt lite skruv och mutter till högtalarna Köpt lite kondensatorer mm Fixat lite med baffeln, rensat gammalt bös Börjar nu lite med kondingar och lite motstånd Mäter komponenter och byter lite på vägen om jag har grejer och om värdena dragit iväg Får väl beställa en vända till Vi får se... 
_________________ tligen
|
| 13 Oct 2025, 22:33 |
|
 |
|
peterh
Joined: 20 Mar 2013, 21:57 Posts: 1491 Location: göteborg
|
 Re: Renovera gammal VOX AC-30
Nya EL84 skall du nog räkna med, likaså bör du byta elektrolytkondensatorer i nätdelen.
Berätta gärna hur det framskrider
_________________Välljud med garanti www.tubular-well.se
|
| 14 Oct 2025, 13:01 |
|
 |
|
tligen
Joined: 10 Feb 2004, 19:59 Posts: 1894 Location: Förort med Swish
|
 Re: Renovera gammal VOX AC-30
Jaja.. Kondingar i nätdelen är bytta, dom efter 22k e på gång.. räknar med att byta alla lytar samt många motstånd och kondingar jag tar några i taget, det är trångt och benen på komponenterna är vikta snyggt och prydligt i lödöronen (bra men jobbigt att löda loss) självklart blir det nya el84or
han som konstruerat detta måste varit galen! över halva förstärkaren är ju trem/vib-kretsen, säkert 25 kondingar bara där
mer kommer...
_________________ tligen
|
| 14 Oct 2025, 14:27 |
|
 |
|
peterh
Joined: 20 Mar 2013, 21:57 Posts: 1491 Location: göteborg
|
 Re: Renovera gammal VOX AC-30
Bli inte överambitios bara, ju fler komponenter du byter desto större risk att det blir knas. Kondensatorer går inte sönder av ålder, att byta hela komponenter är överkurs. Starta förstärkaren , kolla funktioner, mät och notera anomalier. Sedan kan du byta saker som verkar skumma ( fast rör byter du tidigt mot likadana)
Som sagt regelbunden test för att verifiera att det inte knasat, ju tidigare du noterar knas desto färre saker har orsakat det.
Vill du göra något som gör verklig skillnad : bygg in en fläkt som förbättrar kylningen.
_________________Välljud med garanti www.tubular-well.se
|
| 14 Oct 2025, 15:32 |
|
 |
|
tligen
Joined: 10 Feb 2004, 19:59 Posts: 1894 Location: Förort med Swish
|
 Re: Renovera gammal VOX AC-30
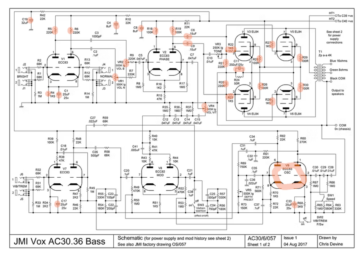
Jorå, det rullar på här... Föröker hitta en vettig balans byta eller inte byta... Jag har bytt dubbel-lyten efter GZ34 (ej på bild), även dom andra till förstegen och fasvändare C4, 8, 19 Bytt de motstånden som är lödda på EL84. Några saker jag inte vill ska vara kass är katod bypass C11 och kopplings C6, C9 Några anodmotstånd har driftat iväg till det dubbla. Några små-lytar, volym-potarna är kass trots sprej, oscilator-röret ville inte. Allt verkar funka fint, men ska mäta igenom trem/vib-kretsen lite till. Det bumpar svagt i bakgrunden med trem/vib på, kanske är det bara så eller så ere nåt som inte lirar riktigt. Ny nätsladd och lite smått behövs. Tänker nu fixa med tyget och handtagen etc på lådan så jag kan sätta in högtalarna. Är sugen på att höra den i låda. Får se sen om jag vill leka med kondensatorvärden typ C2, 3, 10, 5, 7, men det blir en senare fråga isf. 
_________________ tligen
|
| 17 Oct 2025, 11:32 |
|
 |
|
lampuradio
Joined: 21 Jul 2015, 12:14 Posts: 1387 Location: Vallentuna
|
 Re: Renovera gammal VOX AC-30
Oscillatortypen som används till tremolo/vib brukar vara lite kinkig med att det finns ordentligt med förstärkning i röret (rörhalvan). Friskt rör och frisk katodavkoppling är ett krav.
|
| 17 Oct 2025, 18:19 |
|
 |
|
Amp Healer II
Joined: 23 Apr 2019, 17:46 Posts: 494 Location: Mönsterås
|
 Re: Renovera gammal VOX AC-30
Eftersom jag har rotat mycket i dessa , så kan jag dela med mig vad jag skulle ha gjort om stärkan är ämnad för gitarr. C2 Byt till 2,2 nF om du inte är ute efter Brian May , då får du byta till 47 nF och skaffa en Treble booster C3 Många gillar ju just bass modelen för C3 är större än andra AC30 så det blir lite mer "kropp" i ljudet med 1000 pF C5 och C7 skulle jag behålla. C6 och C9 skulle byta till 47 nF så basen håller ihop bättre på högre volym. C10 10nF här är på tok för stor här, 4,7 nF är bättre och du kan även gå ner till 2,7 nF för bättre svep i potten. Kul tråd med bilder 
_________________ Hälsningar Owe Johnson
|
| 18 Oct 2025, 12:00 |
|
 |
|
tligen
Joined: 10 Feb 2004, 19:59 Posts: 1894 Location: Förort med Swish
|
 Re: Renovera gammal VOX AC-30
Hallåj och tack för tips lampu & healer! Jorå V7 är fräscht och katodavkopplat men det blev en lite konstig vågform på utsignalen. Det var helt fel spänningar på V8 röret, typ dubbla anod och halva katod. Hmm nåt är fel....yes, det ska ju vara ECC82 där inte ECC83 som det satt i. Nu funkar den delen mycket bättre!! Klantigt av mej att jag inte såg C10 är helt klart för stor det har jag oxå kommit på, satt dit 3n3 nu, verkar vettigt men jag leker vidare med den och de andra C2, 6, 9 när jag har fått på tyget och i med högtalarna. Den har fått fötter och Handtag - frågan är åt vilket håll texten ska vara? verkar vara lite olika  De 4 övre hörnen (one pin) är kvar och i skapligt skick De 4 undre saknas eller var fel så jag sätter dit two-pins där iaf tills jag får 4 st one-pin av någon   Ny nätsladd och fix med baffel härnäst..
_________________ tligen
|
| 23 Oct 2025, 19:42 |
|
 |
|
Custom Sam
Joined: 27 Dec 2007, 17:17 Posts: 2417 Location: Tjörn
|
 Re: Renovera gammal VOX AC-30
Kul projekt! Trevligt med bilder åxå.
Ljud när det är klart är ju mumma!
_________________ /Lennart
|
| 27 Oct 2025, 22:07 |
|
|
|
Page 1 of 1
|
[ 26 posts ] |
|
Who is online |
Users browsing this forum: No registered users and 9 guests |
|
You cannot post new topics in this forum You cannot reply to topics in this forum You cannot edit your posts in this forum You cannot delete your posts in this forum You cannot post attachments in this forum
|
|
 |