| Author |
Message |
|
Lynxtrap
Joined: 13 Jul 2010, 13:24 Posts: 3052
|
 Projektidé - funkar det?
Fan hela min långa text om bakgrunden till min projektidé försvann.... Nåja vi få ta den korta vägen: Först har vi denna förstärkare som varit aktuell nyligen i en tråd. http://www.102983.org/gallery/albums/us ... 1_DPPT.pdf I den skulle inälvorna offras. Trafor och schassi skulle användas för att bygga en Tweed bassman, som man men hjälp av brytare kunde krydda med JTM45/Bluesbreaker-specs. Förstärkaren skulle ha tremolo och reverb (för jag vill lära mig mer om de krestarna). I slutsteget skulle sitta 6V6, alt 6L6/KT66 med powerscaling. Verkar det ens vettigt? Finns denna förstärkare redan i verkligheten färdigt på nåt schema? Man kan ju för ögonblicket tänka bort JTM och se förstärkaren som en tweed bassman med 2x6V6, tremolo och reverb. Åsikter önskas! SKulle järnen i Epin klara av att driva hela kretsen? Epin är ju f.ö. katod-bias.
_________________ "Hey mister turn it on, turn it up, turn me loose"
|
| 04 Jan 2013, 01:03 |
|
 |
|
Racing
Joined: 07 Sep 2008, 11:14 Posts: 7492 Location: Götelaborg
|
 Re: Projektidé - funkar det?
Tycker jag vore en god ide. Samtidigt vill jag göra klart att den moddade diton jag gjort fungerar riktigt hyggligt som ett mindre omfattande projekt. Men..nä. Ser ingen direkt hinder.
Trafona i dem e inte mkt mindre än i andra maskiner av 50w typ rent fysiskt. Å om ngr använt klena trafos vs mängd effekt e det ju bara att kika på Peavey traditionellt. Engl likaså,så där tror jag du står dig alldeles utmärkt.
Om sen en sådan maskin redan finns,inte en aning men det förefaller ju rimligt. E ju relativt sett väldigt lite som e nytt under solen som bekant.
Nu finns det risk för att den maskin jag moddat hämtas hem redan i helgen(läs im eller lö) vilket iofs varit lite synd för jag hade gärna producerat ett IRL klipp med den. Nope...säger inte på ngt sätt att den blev världens grej,men i varit fall bra fan mkt mer användbart än originalet.
_________________jesper@by-racing.seRacing amps-like having bacon...for your ears.
|
| 04 Jan 2013, 03:22 |
|
 |
|
Lynxtrap
Joined: 13 Jul 2010, 13:24 Posts: 3052
|
 Re: Projektidé - funkar det?
Om jag slaktar Epin testar jag nog dina moddar först Racing. I detta projekt skulle den i övrigt endast fungera som donator av ekonomiska skäl.
Målet skulle som sagt vara att helt enkelt bygga en 5f6a/JTM45 med reverb och tremolo. Eventuellt med 6V6. Och det skulle ju ställa sina krav på trafon. Enligt schema finns det ju oanvänd matning för bias på Epins trafo. Fyra dubbeltrioder borde ju räcka till en kanal 5f6a försteg + reverb och tremolo?
Mina kunskaper räcker inte till för att designa från scratch, så jag behöver nåt att utgå ifrån. Men i princip kan man väl tänka sig att börja jobba utifrån Bluesbreakerns krets (den finns väl med tremolo) och egentligen bara addera reverb? Eller varför inte t.ex Super Reverb och byta försteget mot 5f6a?
Andra tankar någon? Talar något för/emot? 6V6 eller 6L6?
_________________ "Hey mister turn it on, turn it up, turn me loose"
|
| 04 Jan 2013, 14:28 |
|
 |
|
Amp Healer
Joined: 28 Dec 2007, 20:55 Posts: 4881 Location: Mönsterås
|
 Re: Projektidé - funkar det?
Lynxtrap wrote: Andra tankar någon? Talar något för/emot? 6V6 eller 6L6?
Well, sätt in två socklar till så kan du köra med 4X6V6 eller 2X 6L6 utan byta OT.
_________________ Hälsningar Owe Johnson
|
| 04 Jan 2013, 16:03 |
|
 |
|
busse
Joined: 21 Nov 2002, 17:42 Posts: 3184 Location: I hjärtat av Norrbotten
|
 Re: Projektidé - funkar det?
Nu utgår jag i från mina egna erfarenheter av att kompletera en Bassman 6G6-B med tremolo och reverb. I det fallet ville jag behålla så mycket av den ursprungliga Bassmanen som möjligt och ändå få in reverbet och tremolot, reverbet har jag därför parallelt med orginal kanalen så vrider man av reverbet och tremolo har man i princip en Bassman 6G6-B tror i mitt fall att det blir ett motstånd och en konding extra som siganlen skall genom.
Nu snackar jag Bassman 5F6 om det skiljer mycket mot Bluesbreakern har jag för tillfället inte koll på. Om jag skulle göra nåt baserat på 5F6 så skulle jag skippa ena kanalen och sätta en brightswitch istället för att ha tillgång till bägge ljuden som de olika kanalerna kan erbjuda, det är väl inte så ofta man pluggar in två gitarrer i samma stärkare.
Jag skulle använda 270K motstånden som mixar ihop bägge kanalerna in i V2 som splitmotstånd och splitta signalen och skicka det till gallret på det överblivna rörhalvan på V1. Från detta gainsteg skulle jag sen koppla till ett 12AT7 reverbdrivsteg som skulle få driva reverbtanken. Sen skulle jag ta ett 12AX7 rör och göra ett recoverysteg bestående av två gainsteg, sen skulle jag ta två motstånd på 220-470K och göra en mixer mellan torra och reverbesignalen mella tonkotrollen och fasvändaren. Om man kopplar reverbet så här så skulle inte reverbet påverkas av tonkotrollen och jag skulle då ge reverbet en egen en rattstonkotroll för att kunna ändra karaktären på det.
Jag är oskäker på om man kan sätta in mixermostånden innan tonkotrollen direkt efter katodföljaren men det bör väl gå om man klämmer in en konding före tonkontrollen så man får bort likspänningen, om det funkar vilket det bör göra så kommer reverbet även att påverkas av tonkontrollen vilket väl säkert vissa kan tycker är bra. Nån som har bättre koll på katodföljaren kanske kan svara på den frågan.
Själv skulle jag nog föredra att påverka reverbets ton och den torra signalenston var för sig, men det är ju jag.
Tremolot skulle jag ta och sno från nån stärkare med biasmodulerande tremolo som tex Vibroverb 6G16 om man kör med 6L6 rör.
Om jag nu tänkt rätt så skulle detta innebära att man med avvridet reverb och tremolo skulle ha en Bassman 5F6 med enda skillnaden att signalen skall passera ett 220-470K motstånd innan fasvändaren.
|
| 04 Jan 2013, 16:35 |
|
 |
|
Lynxtrap
Joined: 13 Jul 2010, 13:24 Posts: 3052
|
 Re: Projektidé - funkar det?
Fina tips, tackar för det! Möjligen kunde jag skippa tremolot när jag tänker efter... Men vi ska se. Ska fundera genom detta när jag har tid, och inte sitter på jobbet Konkreta grejer där, Busse. Nån annan som vet hur det funkar med katodföljaren? Det är ju liksom den och konfigurationen med tonstacken jag vill åt, annars kunde man ju mer eller kopiera valfri Blackface med hela paketet. Att det räcker med en kanal är givet. Man får väl inse att 2x6V6 inte kommer att funka med Epins OT. Har inga mätvärden, men den är ju gjord för 2x6L6.
_________________ "Hey mister turn it on, turn it up, turn me loose"
|
| 04 Jan 2013, 17:01 |
|
 |
|
Michael
Joined: 28 Dec 2007, 00:49 Posts: 2176 Location: Blekinge
|
 Re: Projektidé - funkar det?
Tror visst att det kan funka med 6V6or du bara använder dubbelt så hög högtalarlast som du ställer stärkaren på.
|
| 04 Jan 2013, 18:19 |
|
 |
|
busse
Joined: 21 Nov 2002, 17:42 Posts: 3184 Location: I hjärtat av Norrbotten
|
 Re: Projektidé - funkar det?
Här kommer ett snabbt omritat schema på hur jag menar, se detta som en princip skiss över var man tappar ut och tar tillbaka reverbet. Tycker att det bör funka att mixa ihop före tonkotrollen efter katodföljaren om man har en konding som tar bort likspänningen som jag ritat på det nedre schemat. Ihop mixning mellan tonkontroll och fasvändare. photo storageIhop mixning före tonkontroll efter katodföljare image upload
|
| 04 Jan 2013, 19:47 |
|
 |
|
Lynxtrap
Joined: 13 Jul 2010, 13:24 Posts: 3052
|
 Re: Projektidé - funkar det?
Tack för det Busse! Har precis börjat skissa på ett schema som jag lär lägga upp när jag har ett utkast färdigt.
Michael: jag tänkte inte på impedansen utan på spänningen från PT som kan bli för hög för 6V6. Men jag ser nu att jag skrivit "OT" i mitt förra inlägg pga hjärnsläpp.
_________________ "Hey mister turn it on, turn it up, turn me loose"
|
| 05 Jan 2013, 23:24 |
|
 |
|
Michael
Joined: 28 Dec 2007, 00:49 Posts: 2176 Location: Blekinge
|
 Re: Projektidé - funkar det?
Ok, såg inte riktigt vad den hade för spänning till slutrören nu men byter du likriktarröret till ett 5y3ör så får du ju ner spänningen rätt rejält.
|
| 07 Jan 2013, 17:51 |
|
 |
|
Lynxtrap
Joined: 13 Jul 2010, 13:24 Posts: 3052
|
 Re: Projektidé - funkar det?
Nä, det finns inga spänningar angivna nånstans på Epins schema. Resonerade bara som så att trafon i dagsläget matar ett par 6L6GC och att man inte vågar putta i 6V6 sådär utan vidare. Angående reverb och tremolo så tycks man inte precis behöva återuppfinna hjulet vad gäller krets. Fast inte precis som ursprungligen tänkt. EDIT: och här var det tänkt att länka till ett schema, men det lyckas inte för tillfället.  Hur som helst, i den varianten avdelar man ingången till fasvändaren med ett 100K motstånd, och skickar signalen till reverbet före motståndet och tillbaka in på andra sidan. Reverbet är inte det typiska Fender, utan använder endast ett 12AX7, halva på ingång och halva på utgång. Och så var det ett biasbaserat tremolo dessutom.
_________________ "Hey mister turn it on, turn it up, turn me loose"
|
| 07 Jan 2013, 22:02 |
|
 |
|
Michael
Joined: 28 Dec 2007, 00:49 Posts: 2176 Location: Blekinge
|
 Re: Projektidé - funkar det?
Tja vill du köra med 6v6or är det bara att mäta anodspänningen. Blir den för hög så använd ett 5y3-rör annars kör på det som sitter i. Är det lite klen OT så kanske det blir alldeles utmärkt med 6V6, inte så stor o fast botten men ett gott krämigt o sjungande ljud.
|
| 07 Jan 2013, 22:15 |
|
 |
|
Lynxtrap
Joined: 13 Jul 2010, 13:24 Posts: 3052
|
 Re: Projektidé - funkar det?
Måste säga att jag börjar bli tveksam till att alls använda Epin som donator. Känns som det är bättre att sälja den eller modda till nåt bättre. Fanskapet har ju t.o.m. sina pyttepottar lödade direkt på kortet. Rensar man ur den skiten blir det tippen nästa för kortet och bygga detta nya projekt från scratch. Samtidigt tycker jag lite synd om Epin som var en så god tanke av Pyotr i hans "two car garage in southern california" och Mike Soldano som layoutade kretskortet som sedan monterades av kineser för en dollar om dan Blir ju några transformatorer, ett reverb och ett schassi som ska köpas om man bygger från scratch, men de får man väl stålar till om man säljer Epin. Hur skulle ni mer erfarna byggare resonera kring de?
_________________ "Hey mister turn it on, turn it up, turn me loose"
|
| 08 Jan 2013, 00:33 |
|
 |
|
Racing
Joined: 07 Sep 2008, 11:14 Posts: 7492 Location: Götelaborg
|
 Re: Projektidé - funkar det?
Sagt det innan,säger det igen. Den jag moddade blev riktigt ok. Speciellt i ljuset av utgångsläge. Prova du det i första läget,e ju trots allt inte så mkt som behöver göras för det.
_________________jesper@by-racing.seRacing amps-like having bacon...for your ears.
|
| 08 Jan 2013, 01:41 |
|
 |
|
busse
Joined: 21 Nov 2002, 17:42 Posts: 3184 Location: I hjärtat av Norrbotten
|
 Re: Projektidé - funkar det?
Jag är ju "reverboman" så det hade varit kul att se ett schema på reverb modden till 5F6 som du talar om. Att det lär funka är det nog inga tvivel om frågan är ju bara hur mycket driv till tanken man kan få från en rörhalva och om ett recoverysteg med bara ett gainsteg ger nog med förstärkning om man vill kunna få ut lite mer reverbvolymer, reverb lär man nog få frågan är bara hur mycket. Själv vill ha jag möjlighet att skruva på riktigt mycket reverb alá Duane Eddy, Dick Dale inte för att jag använder det så ofta utan mer att jag vill ha möjligheten om jag vill, dock så gillar jag lite kortare reverbtider tycker att Accutronics medium decay är i längsta laget.
Jag skulle nog testa att modda orginalstärkaren först och efter det är gjort överväga att riva ut den och bygga nytt eller sälja och köpa delar till ett helt nytt bygge. Det borde ju röra sig om små pengar att testa att modda den, det är väl bara lite motstånd och kondingar som skall bytas.
|
| 08 Jan 2013, 09:41 |
|
 |
|
Lynxtrap
Joined: 13 Jul 2010, 13:24 Posts: 3052
|
 Re: Projektidé - funkar det?
Jepp, och som jag också sa tidigare, innan jag river nåt lär jag testa moddarna på Epin. busse wrote: Jag är ju "reverboman" så det hade varit kul att se ett schema på reverb modden till 5F6 som du talar om. Att det lär funka är det nog inga tvivel om frågan är ju bara hur mycket driv till tanken man kan få från en rörhalva och om ett recoverysteg med bara ett gainsteg ger nog med förstärkning om man vill kunna få ut lite mer reverbvolymer, reverb lär man nog få frågan är bara hur mycket. Det är alla möjliga slags problem med att få upp schemat laddat, bl.a är storleken och filformatet fel säger Bojen. Schemat verkar inte heller finnas på nätet så att man kan länka till det. Ska lösa det på nåt sätt när jag hinner.
_________________ "Hey mister turn it on, turn it up, turn me loose"
|
| 08 Jan 2013, 12:59 |
|
 |
|
busse
Joined: 21 Nov 2002, 17:42 Posts: 3184 Location: I hjärtat av Norrbotten
|
 Re: Projektidé - funkar det?
Här kommer det omtalade Bassman schemat, det var ju snarlikt som jag tänkte det hela dock skulle jag nog förfina reverbdelen med ett eget 12AT7 drivrör och använda två 12AX7 halvor till recoverysteget men det är ju jag det. Men man kanske kan få ut nog med reverb ur den där lösningen för normalt bruk om man inte skall ut och surfa som Dick Dale. free image hosting
|
| 08 Jan 2013, 23:27 |
|
 |
|
Amp Healer
Joined: 28 Dec 2007, 20:55 Posts: 4881 Location: Mönsterås
|
 Re: Projektidé - funkar det?
Bosse, precis så hade jag tänkt att föreslå till dig, en beprövad krets som funkar. Du kan testa med högre motstånd än 100k vid send return om du vill få mer reverb.
_________________ Hälsningar Owe Johnson
|
| 09 Jan 2013, 10:05 |
|
 |
|
busse
Joined: 21 Nov 2002, 17:42 Posts: 3184 Location: I hjärtat av Norrbotten
|
 Re: Projektidé - funkar det?
Amp Healer wrote: Bosse, precis så hade jag tänkt att föreslå till dig, en beprövad krets som funkar. Du kan testa med högre motstånd än 100k vid send return om du vill få mer reverb. Bara så det inte blir några missförstånd, detta schema har Lynxtrap mailat mig då han inte fick länkat upp till det här. Det är alltså inget schema som jag har hittat på. Själv hittade jag också ett schema som jag glömt bort att jag hade sparat i min dator där man tagit och lånat lite ideér från 6G15 reverbet och klämt in reverbet efter katodföljaren, skall se om jag kan lägga upp det men det är en PDF och jag vet inte var på nätet jag hittade det. Mina erfarenheter då det gäller reverb och jag tjorvade på och laborerade en hel del i mitt senast bygge med både kondensatordrivet och transformatordrivet är att få så jäkla mycket driv av tanken som möjligt. Därför tänker jag att ett parallelkopplat 12AT7 bör driva bättre än en halva av ett 12AX7. Men jag har ju inte testat med bara en 12AX7 halva som drivare så det kanske funkar bra om man inte skall har extremt med reverb?
|
| 09 Jan 2013, 10:47 |
|
 |
|
Amp Healer
Joined: 28 Dec 2007, 20:55 Posts: 4881 Location: Mönsterås
|
 Re: Projektidé - funkar det?
busse wrote: Mina erfarenheter då det gäller reverb och jag tjorvade på och laborerade en hel del i mitt senast bygge med både kondensatordrivet och transformatordrivet är att få så jäkla mycket driv av tanken som möjligt. Därför tänker jag att ett parallelkopplat 12AT7 bör driva bättre än en halva av ett 12AX7. Men jag har ju inte testat med bara en 12AX7 halva som drivare så det kanske funkar bra om man inte skall har extremt med reverb?
Och det var just det tillägget som du gjorde ovan med att du kulle ha ett parallelkopplat 12AT7, som var det jag skulle föreslå 
_________________ Hälsningar Owe Johnson
|
| 09 Jan 2013, 10:54 |
|
 |
|
Lynxtrap
Joined: 13 Jul 2010, 13:24 Posts: 3052
|
 Re: Projektidé - funkar det?
Tackar för det Bosse! Jag är inte precis ute efter några extrema mängder reverb, men visst har det traditionella Fender reverbet en bättre bärighet/fyllighet än många andra. När vi nu ändå slänger fram förslag, så har jag erhållit ett annat också: http://www.lynx.bc.ca/~jc/TweedReverbPreamp.gifMen då har man plötsligt en extra tonstack på reverbet. Det intressanta är kanske att man här har tagit och återtagit reverbsignalen på helt andra ställen.
_________________ "Hey mister turn it on, turn it up, turn me loose"
|
| 09 Jan 2013, 11:15 |
|
 |
|
busse
Joined: 21 Nov 2002, 17:42 Posts: 3184 Location: I hjärtat av Norrbotten
|
 Re: Projektidé - funkar det?
Quote: Och det var just det tillägget som du gjorde ovan med att du kulle ha ett parallelkopplat 12AT7, som var det jag skulle föreslå Okej då tänkte vi samma. Quote: Tackar för det Bosse! Jag är inte precis ute efter några extrema mängder reverb, men visst har det traditionella Fender reverbet en bättre bärighet/fyllighet än många andra. När vi nu ändå slänger fram förslag, så har jag erhållit ett annat också: http://www.lynx.bc.ca/~jc/TweedReverbPreamp.gifMen då har man plötsligt en extra tonstack på reverbet. Det intressanta är kanske att man här har tagit och återtagit reverbsignalen på helt andra ställen. Även om man inte är ute efter super mycket reverb som tex Dick Dale så tycker jag att man skall ändå att man skall se till att driva tanken så hårt som möjligt. Orsaken till att driva tanken hårt är den att man kan hålla nere förstärkningen i recoverysteget vilket ger mindre brus och mindre risk för mekaniska störningar och rundgång mm. Dock får man ett annat ljud om man dämpar drivningen därför gillar jag att ha en dwellkontroll till reverbet Det var ju ett intressant schema du postade, dock så tror jag att jag skulle välja att ta ut signalen till reverbet efter volymkontrollen så man kan tysta hela stärkaren om man vrider av volymen. Lite efter tycke och smak skulle man då kunna skippa dwell kontrollen, tonstacken till reverbet skulle jag skippa men jag tror jag skulle välja att ha en tonkontroll liknade den som på 6G15 reverbet eller att ev skippa den också. En til sak som jag har kommit fram till är att man skall se till att ha relativt små kopplinskondingar i recoverydelen så man skär bort allt under ca 300Hz. Jag gillar att ha både dwell, ton och volymkontroll på reverbet då kan man få allt i från ett varm snyggt reverb till ett vasst och skramligt reverb.
|
| 09 Jan 2013, 14:55 |
|
 |
|
Lynxtrap
Joined: 13 Jul 2010, 13:24 Posts: 3052
|
 Re: Projektidé - funkar det?
Med andra ord så kan man alltså tänka ett standard blackface Fender reverb som man skulle inserta framför fasvändaren, om jag tolkar era funderingar rätt? Börjar bli ett rejält projekt att bita i detta, men det är ju ganska precis vad jag hade tänkt från början. Bassman med möjliga JTM-twists, tremolo, reverb med flera kontrollmöjligheter... Många rattar och rör blir det!  Och många lärdomar förstås.
_________________ "Hey mister turn it on, turn it up, turn me loose"
|
| 09 Jan 2013, 15:43 |
|
 |
|
busse
Joined: 21 Nov 2002, 17:42 Posts: 3184 Location: I hjärtat av Norrbotten
|
 Re: Projektidé - funkar det?
Lynxtrap wrote: Med andra ord så kan man alltså tänka ett standard blackface Fender reverb som man skulle inserta framför fasvändaren, om jag tolkar era funderingar rätt? Börjar bli ett rejält projekt att bita i detta, men det är ju ganska precis vad jag hade tänkt från början. Bassman med möjliga JTM-twists, tremolo, reverb med flera kontrollmöjligheter... Många rattar och rör blir det!  Och många lärdomar förstås. Njae, inte riktigt om du frågar mig och nu är det kanske hårklyveri. Drivsteget med 12AT7 och trafo tar man i från en blackface eller likande men i recoverysteget blir det skillnader. En blackface Fender har ju 3.3M 10pF filter som skiljer våta och torra signalen åt. Det är detta filter som jag tycker att man skall undvika om man vill ha kvar 5F6 Bassman karkatären annars så kommer det nog att påverka ljudet. Den torra signalen skall ju passera genom 3.3M 10pF filtret så det lär påverka torra ljudet en hel del. Därför tror jag att det är smartare att tappar ut och ta tillbaka signalen som på nåt av de schema som presenterats här i tråden. Sen är det nog mycket tycke och smak hur man vill ha det.
|
| 09 Jan 2013, 15:55 |
|
 |
|
Lynxtrap
Joined: 13 Jul 2010, 13:24 Posts: 3052
|
 Re: Projektidé - funkar det?
busse wrote: En blackface Fender har ju 3.3M 10pF filter som skiljer våta och torra signalen åt. Det är detta filter som jag tycker att man skall undvika om man vill ha kvar 5F6 Bassman karkatären annars så kommer det nog att påverka ljudet. Den torra signalen skall ju passera genom 3.3M 10pF filtret så det lär påverka torra ljudet en hel del. Därför tror jag att det är smartare att tappar ut och ta tillbaka signalen som på nåt av de schema som presenterats här i tråden. Jo, jag tänkte mig nog tappningen enligt nåt av förslagen här, och då går ju mycket riktigt 3.3/10-delen bort.
_________________ "Hey mister turn it on, turn it up, turn me loose"
|
| 09 Jan 2013, 16:16 |
|
 |
|
Custom Sam
Joined: 27 Dec 2007, 17:17 Posts: 2417 Location: Tjörn
|
 Re: Projektidé - funkar det?
Lynxtrap wrote: busse wrote: En blackface Fender har ju 3.3M 10pF filter som skiljer våta och torra signalen åt. Det är detta filter som jag tycker att man skall undvika om man vill ha kvar 5F6 Bassman karkatären annars så kommer det nog att påverka ljudet. Den torra signalen skall ju passera genom 3.3M 10pF filtret så det lär påverka torra ljudet en hel del. Därför tror jag att det är smartare att tappar ut och ta tillbaka signalen som på nåt av de schema som presenterats här i tråden. Jo, jag tänkte mig nog tappningen enligt nåt av förslagen här, och då går ju mycket riktigt 3.3/10-delen bort. "En hel del" är faktiskt ett understatement, det är en jätteskillnad på med/utan 3,3/10. Jag gjorde ju en inkopplingsbar sådan combo, "fenderfilter" kallade jag det i en tråd för ett par veckor sedan. Kan väl säga att det enbart är användbart om man vill spela jazz a´la 50-tal, dovt med lite extra sprill på toppen. Dödar ton rejält. Jag har en variant i min Dual Showman med ett EL84 som driverrör, där finns det reverb så att man får mer än nog... Blir fylligare och mindre skramligt än med svagare drivning. Om intresse finns kan jag leta upp schema tror jag.
_________________ /Lennart
|
| 09 Jan 2013, 18:54 |
|
 |
|
busse
Joined: 21 Nov 2002, 17:42 Posts: 3184 Location: I hjärtat av Norrbotten
|
 Re: Projektidé - funkar det?
Här kommer ett till schema som jag hade glömt att jag hade i datorn, ytterligare en variant på det hela denna verkar ju hyfsat tjorvig och ser ut att ha lånat lite idéer från 6G15 reverbet. Dock så tycker jag det verkar lite lurigt att gå från en katodföljare till en till katodföljare, borde man inte kunnat ta ihop signalerna från respektive katodföljare före tonstacken? EL84 eller 6V6 har jag haft funderingar på att testa som reverbdrivare men mitt bygge lät så bra med 12AT7 att jag inte orkat börja testa, sen är jag lite orolig om glöden räcker till då ett EL84 vill ha betydligt mer glöd än 12AT7. Sen har jag en TAD 9GB nåntig tank den skall ha en ingåmngs impedans på 8333 ohm vilket borde passa bra ihop med ett EL84 eller 6V6 och köra det hela kondensatordrivet istället för med trafo vilket skulle vara väldigt intressant att testa. Förövrigt är det tur att jag inte våga smälla in några fler rör då jag är rädd att nättrafon inte orkar med glöden i mitt 5F8 Tweed Twin bygge för då hade det nog varit reverb på gång nu. Den stärken tror jag (utan att nu kollat schema speciellt nog) är identisk med 5F6 då det gäller försteget men med fyra 5881 som slutrör. Dock har nättrafon en lindning över till att driva ett transistorförsteg så ett transitordrivet reverb skulle nog gå bra att klämma in, med det känns som lite fusk att ha transistorer i den. Här är schemat photo sharing websites
|
| 09 Jan 2013, 20:56 |
|
 |
|
Lynxtrap
Joined: 13 Jul 2010, 13:24 Posts: 3052
|
 Re: Projektidé - funkar det?
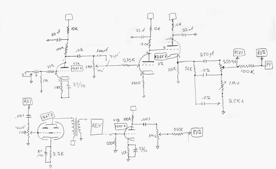
Då ska vi se, har ritat ett krattigt schema här med bara försteg och reverb. Ska det funka tro? Tanken var att använda andra halvan av första röret som recovery. Det känns som ett lite osäkert moment i det hela kanske.
Attachments:
Bassman-reverb-webb.jpg [ 30.86 KiB | Viewed 3668 times ]
_________________ "Hey mister turn it on, turn it up, turn me loose"
|
| 10 Jan 2013, 21:13 |
|
 |
|
busse
Joined: 21 Nov 2002, 17:42 Posts: 3184 Location: I hjärtat av Norrbotten
|
 Re: Projektidé - funkar det?
Jag tycker att det bör funka, dock skulle jag välja en minde kopplingskonding i recoverysteget. Om du har en 0.003 och 1M pot får du ett högpassfilter på 51Hz vilket jag tycer är alldeles för lågt, det tillför inget till revebet utan grötar bara plus att det blir känsligare för lågfrekvent rundgång och andra störningar. Jag skulle köra på 500pF tillsammans med 1M vilket jag har i mitt bygge, då hamnar man på 318Hz vilket jag tycker låter bättre. Då jag höll på och testa och laborera hade jag tillslut en EQ-pedal inkopplad direkt efter tanken och testade boosta och skära frekvenser för att höra vad som lät bäst.
Sen är väl nästa fråga om du tänkt använda 12AY7 för då tror jag att man får problem att få nog med signal ur recoverysteget utan att ta in ett gainsteg till. Har du tänkt ha 12AX7 så bör det ju finnas hopp att det funkar.
Som Ove skrev tidigare i tråden kan man öka anodmotståndet i recoverysteget, jag tror jag hade 470K då jag försökte få till det hela i mitt bygge med bara ett gainsteg i recoverykretsen. Har för mig att Traynor har 470K, 1.5K i recoverysteget på vissa stärkare.
Sen kan man säkert få labba lite med "mixer motstånden" ser att du ritat ett 100K på torra signalen och ett 330K på den våta här kan man nog få testa sig fram för att få lagom mix mellan den våta och torra signalen.
|
| 10 Jan 2013, 22:59 |
|
 |
|
Lynxtrap
Joined: 13 Jul 2010, 13:24 Posts: 3052
|
 Re: Projektidé - funkar det?
Tackar för de tankarna! En del i den skissen var copy paste utan närmare eftertanke, vad gäller vissa komponentvärden. Det är väl inte otänkbart med åtminstone AT7 som försteg/recovery, men... som sagt det är ingen ultimat lösning det där. Man kanske skulle satsa två halvor på recovery och använda den överblivna förstegshalvan till något annat. Switchbart extra gainsteg kanske... Det är väl likasåbra att gå all-in när man en gång håller på, och ge sig själv nåt att bita i. Hade tänkt mig lite plexi-möjligheter också, men det skulle väl i praktiken bara innebära diskantboost här och var i försteget. Onödigt, känns det som.
Ska fila vidare på schema över helgen.
_________________ "Hey mister turn it on, turn it up, turn me loose"
|
| 11 Jan 2013, 12:21 |
|
|